Modelos de Sistemas de Excitação
Sistema de Excitação Simples
Figura 1: Diagrama de Blocos do Sistema de Excitação Simples
|
Parâmetro |
Unidade |
Descrição |
|---|---|---|
|
TA |
Segundos |
Constante de Tempo Adiantada do AVR |
|
TB |
Segundos |
Constante de Tempo Atrasada do AVR |
|
TE |
Segundos |
Constante de Tempo da Excitatriz |
|
K |
pu |
Ganho da Excitatriz |
|
EMin |
pu |
Limite Mín da Excitatriz |
|
EMax |
pu |
Limite Máx da Excitatriz |
IEEE Tipo 1
Figura 2: Diagrama de Blocos do Modelo IEEE TIpo 1
|
Parâmetro |
Unidade |
Descrição |
|---|---|---|
|
TR |
Segundos |
Constante de tempo do transdutor |
|
TA |
Segundos |
Constante de tempo do AVR |
|
TE |
Segundos |
Constante de tempo da excitatriz |
|
TF |
Segundos |
Constante de tempo de retroalimentação da tensão de campo |
|
KA |
pu |
Ganho do AVR |
|
KE |
pu |
KE da Excitatriz |
|
KF |
pu |
Ganho de retroalimentação da tensão de campo |
|
VR Max |
pu |
Limite máx do AVR |
|
VR Min |
pu |
Limite min do AVR |
|
E1 |
pu |
Ponto 1 da tensão de saturação |
|
E2 |
pu |
Ponto 2 da tensão de saturação |
|
S( E1 ) |
pu |
Saturação em E1 |
|
S( E2 ) |
pu |
Saturação em E2 |
IEEE Tipo 2
Figura 3: Diagrama de Blocos do Modelo IEEE Tipo 2
|
Parâmetro |
Unidade |
Descrição |
|---|---|---|
|
TR |
Segundos |
Constante de tempo do transdutor |
|
TA |
Segundos |
Constante de tempo do AVR |
|
TE |
Segundos |
Constante de tempo da excitatriz |
|
TF1 |
Segundos |
Constante de tempo 1 de retroalimentação da tensão de campo |
|
TF2 |
Segundos |
Constante de tempo 2 de retroalimentação da tensão de campo |
|
KA |
pu |
Ganho do AVR |
|
KE |
pu |
KE da Excitatriz |
|
KF |
pu |
Ganho de retroalimentação da tensão de campo |
|
VR Max |
pu |
Limite máx do AVR |
|
VR Min |
pu |
Limite min do AVR |
|
E1 |
pu |
Ponto 1 da tensão de saturação |
|
E2 |
pu |
Ponto 2 da tensão de saturação |
|
S( E1 ) |
pu |
Saturação em E1 |
|
S( E2 ) |
pu |
Saturação em E2 |
Brushless Tipo AC1A
Figura 4: Diagrama de blocos do Modelo IEEE Tipo AC1A
|
Parâmetro |
Unidade |
Descrição |
|---|---|---|
|
TR |
Segundos |
Constante de tempo do sensor |
|
TA |
Segundos |
Constante de tempo do AVR Principal |
|
TB |
Segundos |
Constante de tempo atrasada do segundo bloco do AVR |
|
TC |
Segundos |
Constante de tempo adiantada do segundo bloco do AVR |
|
TE |
Segundos |
Constante de tempo da excitatriz |
|
TF |
Segundos |
Constante de tempo atrasada do feeback |
|
KA |
pu |
Ganho do primeiro bloco principal do AVR |
|
KC |
pu |
Feeback da corrente de campo - KC da Excitatriz |
|
KD |
pu |
Feeback da corrente de campo - KD da Excitatriz |
|
KE |
pu |
KE da Excitatriz |
|
KF |
pu |
Ganho do feeback |
|
VAMax |
pu |
Controle máx do AVR |
|
VAMin |
pu |
Controle mín do AVR |
|
VRMax |
pu |
Regulador máx - Amplificador |
|
VRMin |
pu |
Regulador mín - Amplificador |
|
E1 |
pu |
Ponto 1 da tensão de saturação |
|
E2 |
pu |
Ponto 2 da tensão de saturação |
|
S(E1) |
pu |
Saturação em E1 |
|
S(E2) |
pu |
Saturação em E2 |
|
VUEL |
pu |
Limite de Excitação Abaixo do Fixado |
|
VOEL |
pu |
Limite de Excitação Acima do Fixado |
Brushless Tipo AC6A
Figura 5: Diagrama de Bloco do Modelo IEEE Tipo AC6A
|
Parâmetro |
Unidade |
Descrição |
|---|---|---|
|
TR |
Segundos |
Constante de tempo do sensor |
|
TK |
Segundos |
Constante de tempo adiantada do primeiro bloco |
|
TA |
Segundos |
Constante de tempo atrasada do primeiro bloco |
|
TB |
Segundos |
Constante de tempo atrasada do segundo bloco |
|
TC |
Segundos |
Constante de tempo adiantada do segundo bloco |
|
TE |
Segundos |
Constante de tempo da excitatriz |
|
TJ |
Segundos |
Constante de tempo adiantada da retroalimentação |
|
TH |
Segundos |
Constante de tempo atrasada do feeback |
|
KA |
pu |
Ganho do Primeiro Bloco |
|
KC |
pu |
Feeback da corrente de campo - KC da Excitatriz |
|
KD |
pu |
Feeback da corrente de campo - KD da Excitatriz |
|
KE |
pu |
KE da Excitatriz |
|
KH |
pu |
Ganho do feeback |
|
VFELim |
pu |
Valor limite de VFE |
|
VHMax |
pu |
Máx Feeback |
|
VAMax |
pu |
Controle máx do AVR |
|
VAMin |
pu |
Controle mín do AVR |
|
VRMax |
pu |
Regulador máx - Amplificador |
|
VRMin |
pu |
Regulador mín - Amplificador |
|
E1 |
pu |
Ponto 1 da tensão de saturação |
|
E2 |
pu |
Ponto 2 da tensão de saturação |
|
S(E1) |
pu |
Saturação em E1 |
|
S(E2) |
pu |
Saturação em E2 |
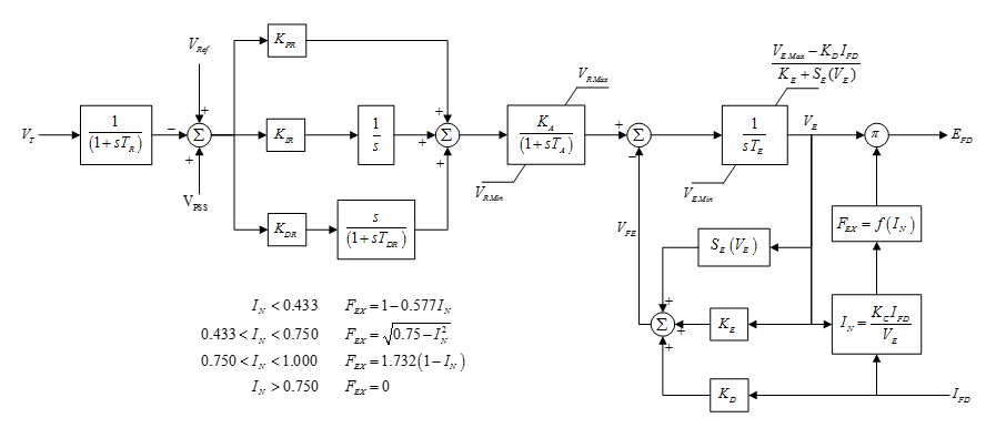
Brushless Tipo AC8B
Figura 6: Diagrama de Bloco do Modelo IEEE Tipo AC8B
|
Parâmetro |
Unidade |
Descrição |
|---|---|---|
|
TR |
Segundos |
Constante de tempo do transdutor |
|
TA |
Segundos |
Constante de tempo do AVR Principal |
|
TE |
Segundos |
Constante de tempo da excitatriz |
|
TDR |
Segundos |
Constante de tempo diferencial para controle PID |
|
KPR |
pu |
Ganho proporcional para controle PID |
|
KIR |
pu |
Ganho integral para controle PID |
|
KDR |
pu |
Ganho Diferencial para controle PID |
|
KA |
pu |
Constante de tempo do AVR Principal |
|
KC |
pu |
Feeback da corrente de campo - KC da Excitatriz |
|
KD |
pu |
Feeback da corrente de campo - KD da Excitatriz |
|
KE |
pu |
KE da Excitatriz |
|
VR Max |
pu |
Regulador máx - Amplificador |
|
VR Min |
pu |
Regulador mín - Amplificador |
|
VE Max |
pu |
Excitatriz máx |
|
VE Min |
pu |
Excitatriz mín |
|
E1 |
pu |
Ponto 1 da tensão de saturação |
|
E2 |
pu |
Ponto 2 da tensão de saturação |
|
S(E1) |
pu |
Saturação em E1 |
|
S(E2) |
pu |
Saturação em E2 |