Modelos de Motores
Motor de Indução de Gaiola Dupla
Figura 1: Modelo de Fluxo de Motor de Indução de Gaiola Dupla
|
Parâmetro |
Unidade |
Descrição |
|---|---|---|
|
HP Nominal |
HP |
|
|
Rendimento Nominal |
Porcento |
|
|
Velocidade Nominal |
RPM |
|
|
Tensão Nominal |
Tensão FF |
|
|
Corrente Nominal |
Ampères |
|
|
FP Nominal |
|
|
|
Escorregamento Nominal |
pu |
Escorregamento nominal |
|
Trq Part |
pu |
Torque de Partida |
|
Crt Partida |
pu |
Corrente de Partida |
|
FP Partida |
|
Fator de Potência de Partida |
|
Trq Máx Regime |
pu |
Torque Máx Nominal em Regime |
|
Ra |
pu |
Resistência do enrolamento do estator (resistência da armadura) |
|
Xl |
pu |
Reatância de dispersão do estator |
|
X |
pu |
Reatância síncrona não-saturada |
|
X’ |
pu |
Reatância transitória não-saturada |
|
X’’ |
pu |
Reatância subtransitória não-saturada |
|
T’o |
Segundos |
Constante de tempo transitória de Circ Aberto |
|
T’’o |
Segundos |
Constante de tempo subtransitória de Circ Aberto |
|
E1 |
pu |
Primeira tensão para definir a saturação |
|
E2 |
pu |
Segunda tensão para definir a saturação |
|
S( E1 ) |
pu |
Saturação em E1 |
|
S( E2 ) |
pu |
Saturação em E2 |
|
H |
kW-Seg / kVA |
Inércia da máquina primária e do motor combinadas |
|
Trans Part Carga |
Segundos |
Tempo na qual a carga transfere - partida para rodar |
|
Rmp Trans Carga |
Segundos |
Tempo que carga leva para transferir - partida para rodar |
|
SoftSt V1 (%) |
Porcento |
Tensão terminal inicial na partida do motor |
|
SoftSt V2 (%) |
Porcento |
Tensão intermediária para o motor partir após T12 segundos. Isto define a primeira inclinação da rampa. |
|
SoftSt V3 (%) |
Porcento |
Tensão final para o motor partir no fim da rampa após T23 segundos. Isto define a inclinação final da rampa. |
|
SoftSt T12 (seg) |
segundos |
Tempo decorrido entre V1 e V2 |
|
SoftSt T23 (seg) |
segundos |
Tempo decorrido entre V2 e V3 |
Nota: OC = Circuito Aberto
Figura 2: Form do Modelo de Impedância Tipo 1 do Motor de Indução de Gaiola Dupla
Motor Síncrono
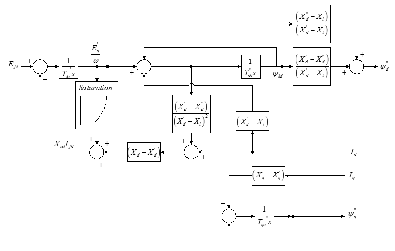
Figura 3: Diagrama de Blocos do Modelo de Motor Síncrono
|
Parâmetro |
Unidade |
Descrição |
|---|---|---|
|
HP Nominal |
HP |
|
|
Rendimento Nominal |
Porcento |
|
|
Velocidade Nominal |
RPM |
|
|
Tensão Nominal |
Tensão FF |
|
|
Corrente Nominal |
Ampères |
|
|
FP Nominal |
|
|
|
Ra |
pu |
Resistência do enrolamento do estator (resistência da armadura) |
|
Xl |
pu |
Reatância de dispersão do estator |
|
Xd |
pu |
Reatância síncrona não-saturada de eixo-d |
|
Xq |
pu |
Reatância síncrona não-saturada de eixo-q |
|
X’d |
pu |
Reatância transitória não-saturada de eixo-d |
|
X’’d = X’’q |
pu |
Reatância subtransitória não saturada de eixo-d & q |
|
T’do |
Segundos |
Constante de tempo transitória de Circ Aberto de eixo-d |
|
T’’do |
Segundos |
Constante de tempo subtransitória de Circ Aberto de eixo-d |
|
T’’qo |
Segundos |
Constante de tempo subtransitória de Circ Aberto de eixo-q |
|
E1 |
pu |
Primeira tensão para definir a saturação |
|
E2 |
pu |
Segunda tensão para definir a saturação |
|
S( E1 ) |
pu |
Saturação em E1 |
|
S( E2 ) |
pu |
Saturação em E2 |
|
H |
kW-Seg / kVA |
Inércia da máquina primária e do motor combinadas |
|
Trans Part Carga |
Segundos |
Tempo na qual a carga transfere - partida para rodar |
|
Rmp Trans Carga |
Segundos |
Tempo que carga leva para transferir - partida para rodar |
|
Velocidade Aplic EFD |
Porcento |
Velocidade na qual o campo é aplicado durante a partida |
|
Valor Aplic EFD |
Porcento |
Valor de tensão de campo a ser aplicado durante a partida |
|
Det Pwr Rev |
Segundos |
Tempo que leva para desligar uma detecção de potência reversa |
|
SoftSt V1 (%) |
Porcento |
Tensão terminal inicial na partida do motor |
|
SoftSt V2 (%) |
Porcento |
Tensão intermediária para o motor partir após T12 segundos. Isto define a primeira inclinação da rampa. |
|
SoftSt V3 (%) |
Porcento |
Tensão final para o motor partir no fim da rampa após T23 segundos. Isto define a inclinação final da rampa. |
|
SoftSt T12 (seg) |
segundos |
Tempo decorrido entre V1 e V2 |
|
SoftSt T23 (seg) |
segundos |
Tempo decorrido entre V2 e V3 |