Figura 1: Diagrama de bloques sencillo del modelo del excitador
|
Parámetro |
Unidades |
Descripción |
|---|---|---|
|
TA |
Segundos |
Constante de tiempo de adelanto del Regulador de tensión automático |
|
TB |
Segundos |
Constante de tiempo de retardo del Regulador de tensión automático |
|
TE |
Segundos |
Constante de tiempo del excitador |
|
K |
pu |
Ganancia del excitador |
|
EMin |
pu |
Límite mínimo del excitador |
|
EMax |
pu |
Límite máximo del excitador |
Figura 2: Diagrama de bloques del modelo IEEE Tipo 1
|
Parámetro |
Unidades |
Descripción |
|---|---|---|
|
TR |
Segundos |
Constante de tiempo del transductor |
|
TA |
Segundos |
Constante de tiempo del Regulador de tensión automático |
|
TE |
Segundos |
Constante de tiempo del excitador |
|
TF |
Segundos |
Constante de tiempo de retroalimentación de tensión del campo |
|
KA |
pu |
Ganancia del Regulador de tensión automático |
|
KE |
pu |
KE del excitador |
|
KF |
pu |
Ganancia de retroalimentación de tensión del campo |
|
VR Máximo |
pu |
Límite máximo del Regulador de tensión automático |
|
VR Mínimo |
pu |
Límite mínimo del Regulador de tensión automático |
|
E1 |
pu |
Punto 1 de saturación de tensión |
|
E2 |
pu |
Punto 2 de saturación de tensión |
|
S( E1 ) |
pu |
Saturación en E1 |
|
S( E2 ) |
pu |
Saturación en E2 |
Figura 3: Diagrama de bloques del modelo IEEE Tipo 2
|
Parámetro |
Unidades |
Descripción |
|---|---|---|
|
TR |
Segundos |
Constante de tiempo del transductor |
|
TA |
Segundos |
Constante de tiempo del Regulador de tensión automático |
|
TE |
Segundos |
Constante de tiempo del excitador |
|
TF1 |
Segundos |
Constante 1 de tiempo de retroalimentación de tensión del campo |
|
TF2 |
Segundos |
Constante 2 de tiempo de retroalimentación de tensión del campo |
|
KA |
pu |
Ganancia del Regulador de tensión automático |
|
KE |
pu |
KE del excitador |
|
KF |
pu |
Ganancia de retroalimentación de tensión del campo |
|
VR Máximo |
pu |
Límite máximo del Regulador de tensión automático |
|
VR Mínimo |
pu |
Límite mínimo del Regulador de tensión automático |
|
E1 |
pu |
Punto 1 de saturación de tensión |
|
E2 |
pu |
Punto 2 de saturación de tensión |
|
S( E1 ) |
pu |
Saturación en E1 |
|
S( E2 ) |
pu |
Saturación en E2 |
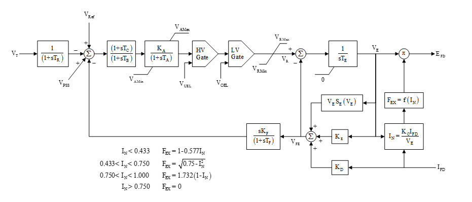
Figura 4: Diagrama de bloques del modelo IEEE Tipo AC1A
|
Parámetro |
Unidades |
Descripción |
|---|---|---|
|
TR |
Segundos |
Constante de tiempo de del sensor |
|
TA |
Segundos |
Constante de tiempo del Regulador de tensión automático principal |
|
TB |
Segundos |
Constante de tiempo de retardo del segundo bloque del Regulador de tensión automático |
|
TC |
Segundos |
Constante de tiempo de adelanto del segundo bloque del Regulador de tensión automático |
|
TE |
Segundos |
Constante de tiempo del excitador |
|
TF |
Segundos |
Constante de tiempo de retardo de retroalimentación |
|
KA |
pu |
Ganancia del primer bloque del Regulador de tensión automático principal |
|
KC |
pu |
KC del excitador – Retroalimentación de corriente del campo |
|
KD |
pu |
KD del excitador – Retroalimentación de corriente del campo |
|
KE |
pu |
KE del excitador |
|
KF |
pu |
Ganancia de retroalimentación |
|
VAMax |
pu |
Control máximo del Regulador de tensión automática |
|
VAMin |
pu |
Control mínimo del Regulador de tensión automática |
|
VRMax |
pu |
Regulador máximo - Amplificador |
|
VRMin |
pu |
Regulador mínimo - Amplificador |
|
E1 |
pu |
Punto 1 de saturación de tensión |
|
E2 |
pu |
Punto 2 de saturación de tensión |
|
S(E1) |
pu |
Saturación en E1 |
|
S(E2) |
pu |
Saturación en E2 |
|
VUEL |
pu |
Límite fijo de baja excitación |
|
VOEL |
pu |
Límite fijo de sobre excitación |
Figura 5: Diagrama de bloques del modelo IEEE Tipo AC6A
|
Parámetro |
Unidades |
Descripción |
|---|---|---|
|
TR |
Segundos |
Constante de tiempo de del sensor |
|
TK |
Segundos |
Constante de tiempo de adelanto del primer bloque |
|
TA |
Segundos |
Constante de tiempo de retardo del primer bloque |
|
TB |
Segundos |
Constante de tiempo de retardo del segundo bloque |
|
TC |
Segundos |
Constante de tiempo de adelanto del segundo bloque |
|
TE |
Segundos |
Constante de tiempo del excitador |
|
TJ |
Segundos |
Constante de tiempo de adelanto de retroalimentación |
|
TH |
Segundos |
Constante de tiempo de retardo de retroalimentación |
|
KA |
pu |
Ganancia del primer bloque |
|
KC |
pu |
KC del excitador – Retroalimentación de corriente del campo |
|
KD |
pu |
KD del excitador – Retroalimentación de corriente del campo |
|
KE |
pu |
KE del excitador |
|
KH |
pu |
Ganancia de retroalimentación |
|
VFELim |
pu |
Valor de límite de VFE |
|
VHMax |
pu |
Retroalimentación máxima |
|
VAMax |
pu |
Control máximo del Regulador de tensión automática |
|
VAMin |
pu |
Control mínimo del Regulador de tensión automática |
|
VRMax |
pu |
Regulador máximo - Amplificador |
|
VRMin |
pu |
Regulador mínimo - Amplificador |
|
E1 |
pu |
Punto 1 de saturación de tensión |
|
E2 |
pu |
Punto 2 de saturación de tensión |
|
S(E1) |
pu |
Saturación en E1 |
|
S(E2) |
pu |
Saturación en E2 |
Figura 6: Diagrama de bloques del modelo IEEE Tipo AC8B
|
Parámetro |
Unidades |
Descripción |
|---|---|---|
|
TR |
Segundos |
Constante de tiempo del transductor |
|
TA |
Segundos |
Constante de tiempo del Regulador de tensión automático principal |
|
TE |
Segundos |
Constante de tiempo del excitador |
|
TDR |
Segundos |
Constante de tiempo diferencial para control Proporcional Integral Diferencial (PID) |
|
KPR |
pu |
Ganancia proporcional para control PID |
|
KIR |
pu |
Ganancia integral para control PID |
|
KDR |
pu |
Ganancia diferencial para control PID |
|
KA |
pu |
Constante de tiempo del Regulador de tensión automático principal |
|
KC |
pu |
KC del excitador – Retroalimentación de corriente del campo |
|
KD |
pu |
KD del excitador – Retroalimentación de corriente del campo |
|
KE |
pu |
KE del excitador |
|
VR Máximo |
pu |
Regulador máximo - Amplificador |
|
VR Mínimo |
pu |
Regulador mínimo - Amplificador |
|
VE Máxima |
pu |
Excitador máximo |
|
VE Mínima |
pu |
Excitador mínimo |
|
E1 |
pu |
Punto 1 de saturación de tensión |
|
E2 |
pu |
Punto 2 de saturación de tensión |
|
S(E1) |
pu |
Saturación en E1 |
|
S(E2) |
pu |
Saturación en E2 |
| Estabilidad dinámica | |
| Parámetros de estabilidad dinámica |
|